欢迎进入重庆美高科技有限公司官方网站!

陈伟

13896127811

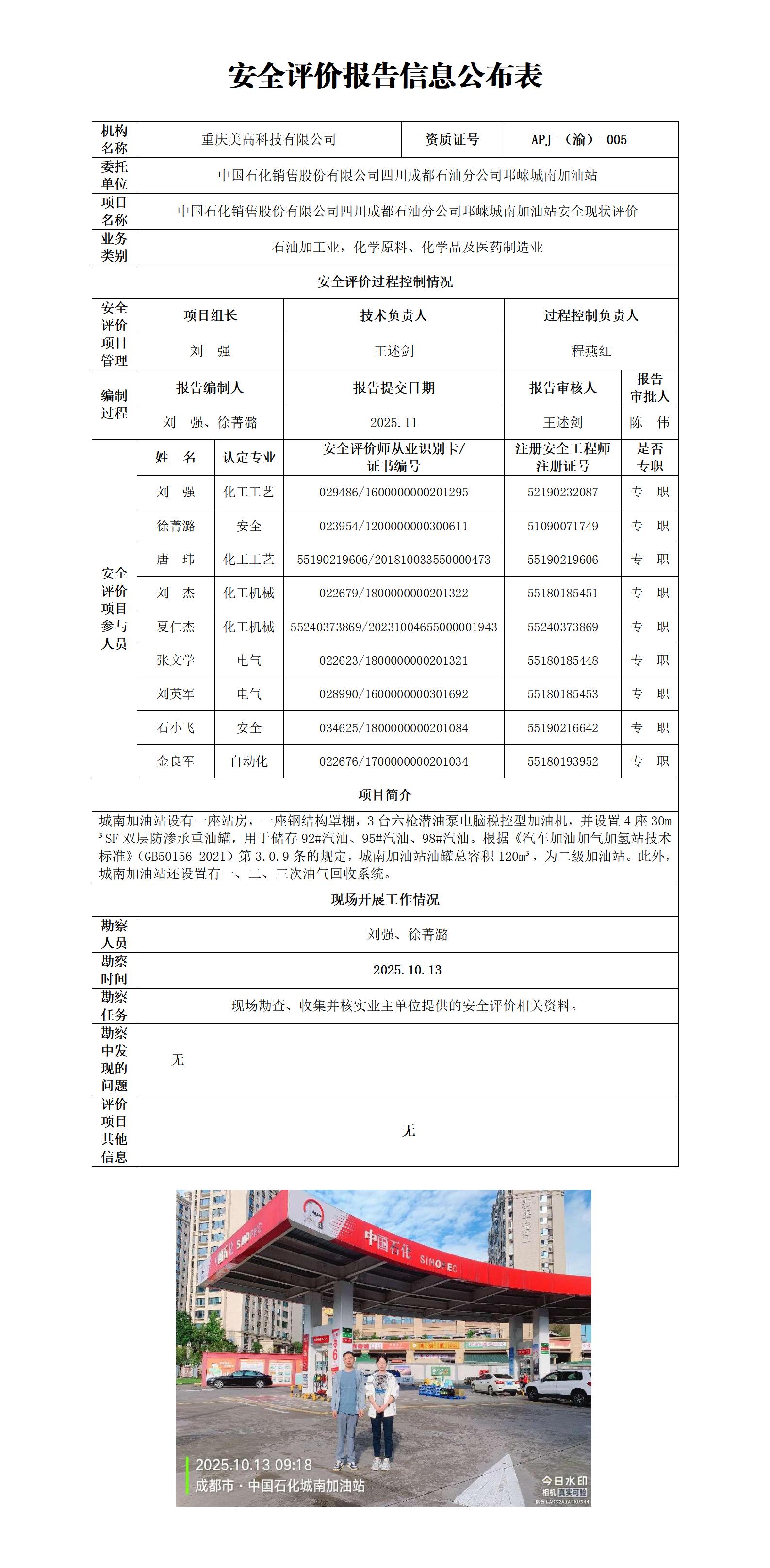
2025年4季度-中国石化销售股份有限公司四川成都石油分公司邛崃城南加油站经营危险化学品安全现状评价

作者:admin 发布日期:2025-12-05 12:17:00

联系电话:陈伟 13896127811

地址:重庆市渝中区虎踞路92号(重庆总部城A区16栋)1单元2号

渝ICP备18010519号-1   渝公网安备 50010302505362号

Copyright © 重庆美高科技有限公司 版权所有

X重庆美高科技有限公司

截屏,微信识别二维码

微信号:13896127811

(点击复制,添加好友)

微信号已复制,请打开微信添加咨询详情!