欢迎进入重庆美高科技有限公司官方网站!

陈伟

13896127811

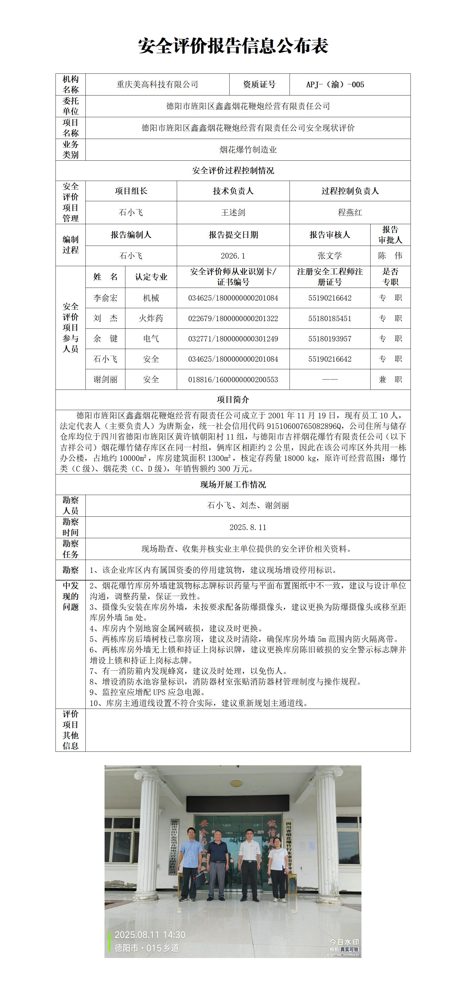
2026年1季度-德阳市旌阳区鑫鑫烟花鞭炮经营有限责任公司安全现状评价

作者:admin 发布日期:2026-02-06 14:04:00

联系电话:陈伟 13896127811

地址:重庆市渝中区虎踞路92号(重庆总部城A区16栋)1单元2号

渝ICP备18010519号-1   渝公网安备 50010302505362号

Copyright © 重庆美高科技有限公司 版权所有

X重庆美高科技有限公司

截屏,微信识别二维码

微信号:13896127811

(点击复制,添加好友)

微信号已复制,请打开微信添加咨询详情!